山东鲁泰化学有限公司

艰苦奋斗 敢于担当 创新引领 追求卓越

News Center

山东鲁泰化学有限公司2018年度土壤检测报告

日期:2018-12-25 16:36:34 来源:环保部 作者:鲁泰化学


山东鲁泰化学有限公司土壤检测报告-2018年度_1.JPG

山东鲁泰化学有限公司土壤检测报告-2018年度_2.JPG

山东鲁泰化学有限公司土壤检测报告-2018年度_3.JPG

山东鲁泰化学有限公司土壤检测报告-2018年度_4.JPG

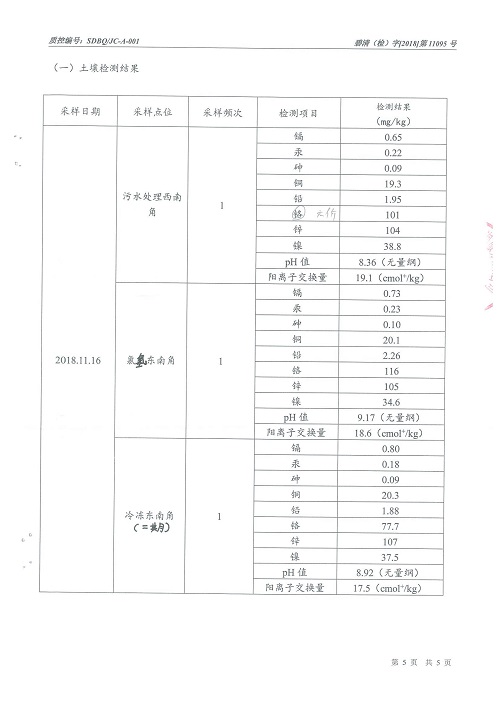
山东鲁泰化学有限公司土壤检测报告-2018年度_5.JPG

山东鲁泰化学有限公司土壤检测报告-2018年度_6.JPG

山东鲁泰化学有限公司土壤检测报告-2018年度_7.JPG